
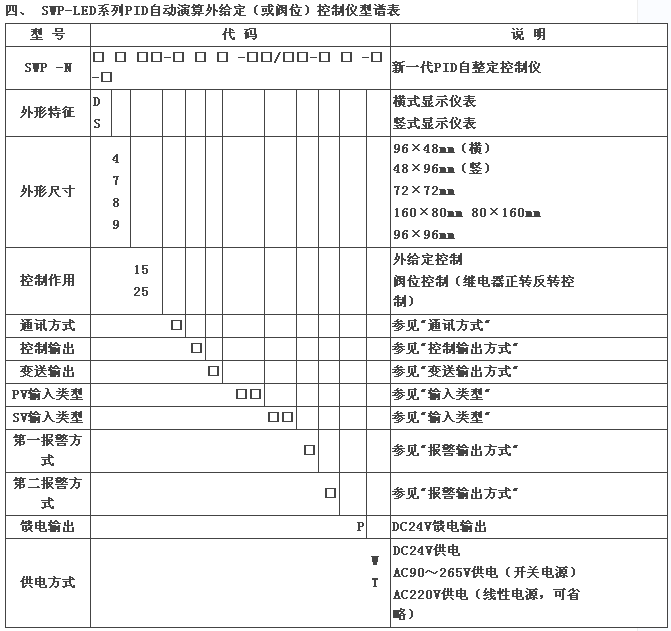
| SWP-LED系列PID外给定(或阀位)控制仪/PID外给定(或阀位)光柱显示控制仪适用于需要进行高精度测量控制的系统,可取代放大器直接驱动执行的机构(如阀位等)。 |
| SWP-LED系列PID自整定控制仪/PID光柱显示控制仪表集数字仪表与模拟仪表于一体,可对温度、压力、液位、速度等测量信号进行数字量显示控制(高亮度LED数码显示)及相对模拟量显示(光柱显示),使测量值的显示更为清晰直观,并可选择双光柱显示。 |
| 一、 主要特点 |
| 1、 通过简单快捷的参数设置,即可适配各种分度号,,进一步提高了仪表的多用性与可靠性。 |
| 2、 PID参数自整定。 |
| 3、 同时输入、显示测量信号及阀位反馈信号。可分别带有一路模拟量控制输出(开关量控制输出-继电器正转、反转控制)及一路模拟量变送输出,可适用于各种测量控制场合。 |
| 4、 自动跟随外部给定值(或阀位反馈值)进行控制输出(模拟量控制输出或继电器正转、反转控制输出)。可实现自动/手动无扰动切换。手动切换至自动时,采用逼近法积算,并带切换限幅功能,以实现手动/自动的平稳切换。 |





