欢迎访问上海恒舟科技有限公司官网! 设为首页 | 加入收藏 | 联系我们

产品展示

气体检测仪 电伴热带 阀门 断路器 压力仪表 显示仪表 阿达姆斯

显示仪表

您当前所在的位置:网站首页 >> 产品展示 >> 显示仪表

SWP-SX100音响报警器


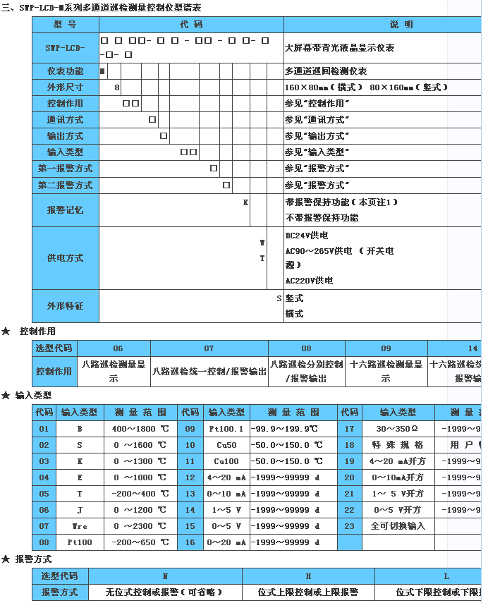
SWP-LCD-M多路仪表适合于需要同时对多组过程参量(≤16)进行集中监测,超限报警,变送输出及远传的场合。
一、仪表特点:
  1、用户依照仪表LCD显示屏中文菜单提示,通过面板按键可完成输入信号类型与分度号的自由切换,实现多能输入。
  2、可选择统一报警输出,分别报警输出或分别变送输出。
  3、可带串行通信输出,可与各种输入/输出的设备双向通信,组成分级控制系统。
二、仪表外形及接线图:(以下为基本配线方式,特殊订货请参见随机接线图)

2.png

3.png

4.png

5.png

6.png

7.png

8.png

网站首页 | 关于我们 | 新闻中心 | 产品展示 | 客户服务 | 成功案例 | 招聘信息 | 联系我们

地址:上海市闸北区高平路777号811 电话:021-66270826 传真:021-33275288

手机:15000800546 网址:www.shhzkj.net Email:hengzhouteg@sina.com 备案号:沪ICP备2021024665号-1

友情链接: 压力表   气体检测仪   电伴热带   阀门   断路器